Hopefully, this page will grow to contain useful setup information, troubleshooting tips, and other random pieces of knowledge that may be helpful to an admittedly small audience 😉
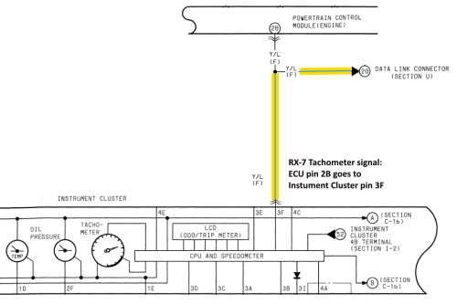
RX-7 Tachometer wiring information:
Mazda’s wiring diagrams aren’t bad, but they could be more clear in certain areas. Here is a revamped diagram highlighting how the ECU sends the RPM signal to the instrument cluster’s tachometer. The original diagram jumps across a couple of different pages, and the ECU pinout chart explanation seems to highlight the connection to the Data Link Connector rather than the tachometer signal.
RX-7 Sequential Coil setup information: AEM Series1 30-1800 EMS
The original 30-1800 startup calibration settings mimic the stock ECU by firing the leading coils twice per engine rev… once for the front rotor (Coil1 output) and once for the rear rotor (think of the Coil6 settings as being ‘Coil1B’, Â the second time the Coil1 output fires due to wasted spark). 
When changing to a sequential coil setup, wire the Coil1 output to the front leading coil, Â add a new wire from the Coil4 pin to the rear leading coil, and configure the settings as shown. You can find the Ignition Phasing options by selecting Ignition>>Advanced Ignition>>Ignition Phasing. Your software version may not have a menu with a checkbox for each coil, go to Options>>Coil and select or de-select the ‘Active’ checkbox for each coil.

